6SL7 SRPP / 2A3 Single-Ended Tube Amp Schematic
Loftin-White 2A3 Single-Ended Triode Tube Amplifier Schematic
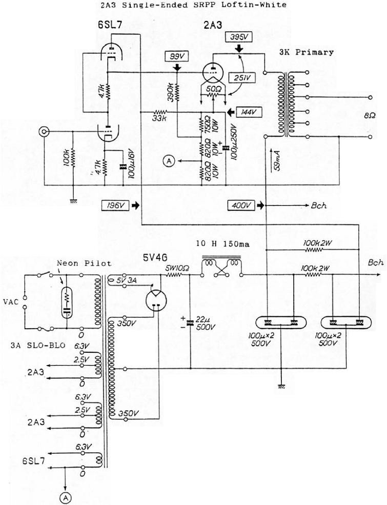
This very simple and elegant little triode amplifier is the Loftin-White Single-Ended 2A3 Tube Amplifier. The direct-coupled (no coupling capacitors) two stage circuit was designed as a laboratory amplifier in 1929 by the team of E.H. Loftin and S.Y. The input stage is a 6SL7 SRPP (shunt regulated driver). Use a good quality audio output transformer with a 2.5 to 3 k-ohm primary with a rating of at least 5W. Output power will be about 3.5W @ 2.5% THD (OPT 2.5 - 3 k). We have had good results using using new production Electro-Harmonix 2A3 EH Gold tubes as a lower cost alternative to NOS RCA 2A3 Black Plate tubes.
There are a couple items of interest to note with this circuit.
- The bias for the output tube is provided by the voltage divider created between the driver stage load (upper half of 6SL7), the driver stage (lower half of 6SL7) and the extra large cathode resistor (the three series resistors below the 2A3 tube).
- How high gain, wide bandwidth, and low source impedance are achieved with an absolute minimum of parts with the SRPP front end.
Loftin-White 2A3 Single-Ended Triode Tube Amplifier Schematic
The power supply use a 5V4G tube rectifier and C-L-C filtering. For more information about power supply design with vacuum tube rectifiers, see Matt's informative article Power Supply Design for Vacuum Tube Amplifiers.
