DIY Audio Projects | diyAudioProjects.com
  Navigation: DIY Audio Projects / DIY and HiFi Audio Schematics / Push-Pull (PP) EL84 Tube Amplifier Schematic (ECC83 input)

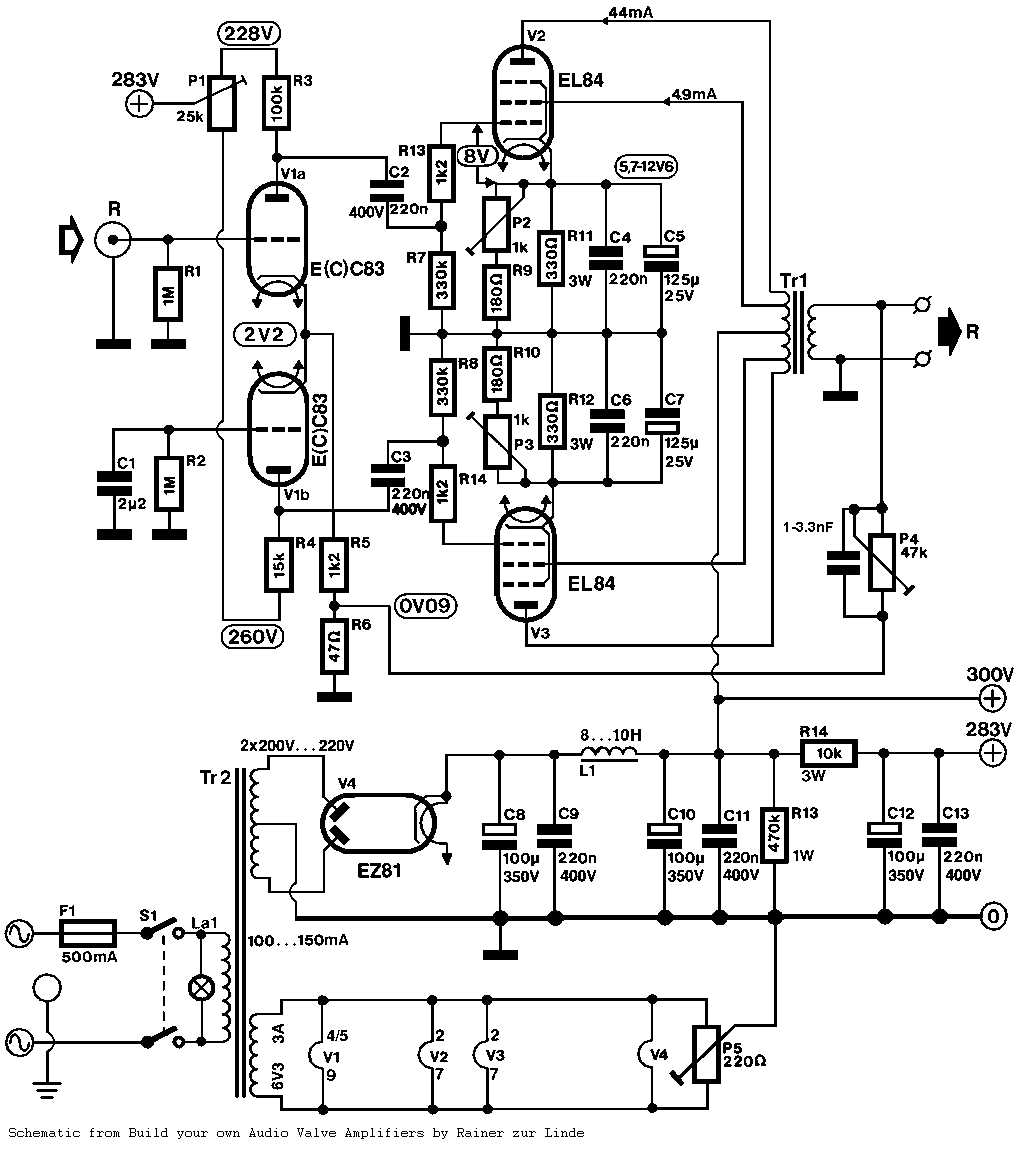
Push-Pull (PP) EL84 Tube Amplifier Schematic (ECC83 input)


Push-Pull (PP) EL84 Tube Amplifier Schematic (ECC83 input)

Push-Pull (PP) EL84 Tube Amplifier Schematic with ECC83 input stage. The tube rectified power supply uses an EZ81 tube. There is more information available about tube power supply design in the Power Supply Design for Vacuum Tube Amplifiers article. The push-pull EL84 tube amplifier schematic is from the book "Build your own Audio Valve Amplifiers" by Rainer zur Linde.

Push-Pull (PP) EL84 Tube Amplifier Schematic

Push-Pull (PP) EL84 Tube Amplifier Schematic

Other Push-Pull EL84 (6BQ5) Tube Amplifiers

Back to DIY Audio Projects
Back to DIY and HiFi Audio Schematics


Last updated 6 September 2014. © diyAudioProjects.com - Terms of Service - Privacy Policy