DIY Audio Projects | diyAudioProjects.com
  Navigation: DIY Audio Projects / DIY and HiFi Audio Schematics / EL34 Single-Ended (SE) Tube Amplifier Schematic

EL34 Single-Ended (SE) Tube Amplifier Schematic


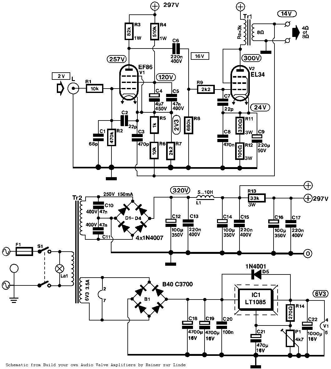
EL34 Single-Ended (SE) Tube Amplifier Schematic (EF86 input)

Single-Ended (SE) EL34 Tube Amplifier Schematic with EF86 input stage. The power supply is solid state. The filament supply is regulated at 6.3V using a LT1085 voltage regulator. The schematic is from the book "Build your own Audio Valve Amplifiers" by Rainer zur Linde.

EL34 Single Ended (SE) Tube Amplifier Schematic

EL34 Single Ended (SE) Tube Amplifier Schematic

Back to DIY Audio Projects
Back to DIY and HiFi Audio Schematics


Last updated 6 September 2014. © diyAudioProjects.com - Terms of Service - Privacy Policy