DIY Audio Projects Photo Gallery
 NEW    Bruce Heran outlines the details and construction of his simple DIY 6DJ8 (ECC88) Tube Hi-Fi Headphone Amplifier Project.

DIY Audio Projects Photo Gallery


[ Gallery Home | Upload Photo | Recent Uploads | Most Viewed | Search ]

Click to view full size image

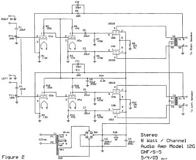
S-5 Electronics K-12G Tube Amplifier Schematic

Schematic for the S-5 Electronics K-12G Tube Amplifier Kit. This is a scan of the schematics that comes with the kit. The K-12G kit uses 10GV8 vacuum tubes.

K-12-Tube-Amp-Kit-with-Enclosure.jpg S5-Electronics-K12G-Tube-Amp-Kit-Contents.jpg S5-Electronics-K12G-Tube-Amp-Kit-Schematic~2.png DSCN0747.JPG DSCN0746.JPG
File information
Filename:S5-Electronics-K12G-Tube-Amp-Kit-Schematic~2.png
Album name:S-5 Electronics Tube Amplifier Kits
Filesize:30 KiB
Date added:Feb 18, 2009
Dimensions:1980 x 1620 pixels
Displayed:15812 times
URL:http://diyaudioprojects.com/Gallery/displayimage.php?pid=368
Favorites:Add to Favorites

DIY Tube Projects :: DIY Tube Amp Kits :: DIY Speaker Projects :: DIY Solid State Projects :: DIY IC / Opamp Projects :: DIY Phono Projects :: DIY Cable Projects :: HI-Fi Audio Schematics
© diyAudioProjects.com - Terms of Service - Privacy Policy